Unità di misura della sorgente ad alta precisione serie N2600 (SMU)
La serie N2600 è un misuratore di tensione digitale sviluppato da NGI, che combina strettamente le funzioni di sorgente ad alta precisione e misurazione ad alta precisione. Integra 5 funzioni (sorgente di tensione, sorgente di corrente, misurazione I/V/R) in un unico strumento. L'intervallo di misura copre da 200 V a 1 μV, da 1 A a 10 pA, da 200 MΩ a 10 μΩ. La risoluzione di misura è di 6 cifre e mezza. La precisione di base può raggiungere 100 μV, 600 pA, 300 μΩ. La serie N2600 integra una sorgente di tensione costante, una sorgente di corrente costante, la misurazione della resistenza, la modalità sweep, un generatore di segnale, un trigger sincrono, un calcolatore di funzioni, ecc. e fornisce gratuitamente il software applicativo per PC. Può essere ampiamente utilizzato nell'analisi delle caratteristiche e nei test di produzione di componenti e moduli nei settori delle comunicazioni, dei semiconduttori, dei computer, dell'automotive e della medicina.
Caratteristiche principali
●5 in 1 (sorgente di tensione, sorgente di corrente, misurazione I/V/R)
●Supporto personalizzazione di tensione più elevata, corrente più elevata e corrente impulsiva
●Supporto del protocollo SCPI
●Funzione di uscita ad onda quadra
●Precisione di base fino a 100μV, 600 pA, 300μΩ
●Porta LAN, interfaccia RS232
●Ampio intervallo di misurazione, da 200 V a 1 μV, da 3 A a 10 pA, da 200 MΩ a 10 μΩ
●Frequenza di campionamento massima 100 ksps
●Funzionamento sorgente e pozzo (4 quadranti)
●Misurazione della resistenza a 2/4/6 fili
●Porta USB frontale, supporta l'archiviazione degli screenshot
● Telaio 2U/ ½19", design leggero e portatile
●Schermo LCD da 4.3 pollici, interfaccia operativa semplice, facile da usare
●Supporto delle modalità di sweep lineare della scala e sweep logaritmico della scala
Campi di applicazione

Funzioni e vantaggi
5 in 1 (sorgente di tensione, sorgente di corrente, misurazione I/V/R)
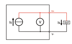
La serie N2600 adotta uno chassis 19U standard da ½" (2 pollici). L'integrazione dei circuiti di sorgente e misura in uno strumento autonomo compatto riduce notevolmente i tempi di sviluppo, configurazione e manutenzione del sistema di test, risparmiando spazio sul banco di prova e riducendo il costo di acquisto complessivo. La funzione di accoppiamento di precisione della SMU della serie N2600 offre numerosi vantaggi rispetto agli strumenti discreti. Oltre a fornire sorgenti di tensione e corrente di uscita accurate, è in grado di misurare corrente, tensione e resistenza e ha un'elevata velocità di risposta al test, che può proteggere il DUT da danni dovuti a sovraccarichi occasionali, runaway termici, ecc.
Funzionamento a quattro quadranti come sorgente o carico
Quattro quadranti: il quadrante di potenza si riferisce al diagramma a quadranti formato con la tensione sull'asse X e la corrente sull'asse Y. Nel primo e nel terzo quadrante, tensione e corrente hanno la stessa direzione e la SMU fornisce alimentazione al DUT, in modalità source. Nel secondo e nel quarto quadrante, tensione e corrente hanno direzione opposta, il DUT scarica sulla SMU, che assorbe passivamente la corrente in ingresso e fornisce un percorso di ritorno per la corrente, in modalità sink.

Caratteristiche IV
Solitamente, la caratterizzazione IV di un DUT richiede l'uso di un amperometro, un voltmetro, un generatore di tensione e un generatore di corrente ad alta sensibilità. Il processo di programmazione, sincronizzazione, collegamento, misurazione e analisi di ciascuno di questi strumenti è complesso, richiede molto tempo e occupa molto spazio sul banco di prova. La serie N2600 può semplificare notevolmente il processo di test e ridurre l'occupazione di spazio sul banco di prova. N2600 offre un funzionamento a 4 quadranti. Quando funziona nel 1° e 3° quadrante, N2600 funge da generatore di alimentazione per fornire potenza al DUT. Quando funziona nel 2° e 4° quadrante, N2600 funge da dissipatore (carico) per assorbire energia. In modalità sorgente o dissipatore, N2600 può misurare tensione, corrente e resistenza, il che lo rende una scelta ideale per la caratterizzazione IV di DUT, come nella ricerca sui materiali, nell'elettronica, nei semiconduttori, ecc.

Inviluppo di potenza
A differenza dei tradizionali alimentatori a matrice, a parità di potenza, l'N2600 consente agli utenti di scegliere tra alta tensione e bassa corrente o bassa tensione e alta corrente in uscita, in base alle effettive esigenze. Anche i limiti di alimentazione/assorbimento dell'N2600 variano a seconda delle specifiche.
N2600-020-01 limite sorgente/assorbimento: ±21 V a ±1.05 A
N2600-200-01 limite sorgente/assorbimento: ±21 V a ±1.05 A ±210 V a ±105 mA
Limite sorgente/assorbimento N2610-100-03: ±21 V a ±3.15 A ±105 V a ±1.05 A ±105 V a ±10.5 A (solo modalità a impulsi)

Scala lineare e scala logaritmica
N2600 supporta le modalità di sweep a scala lineare e a scala logaritmica. La modalità di sweep si attiva automaticamente dopo aver impostato la relazione funzionale e il punto di protezione, il che velocizza notevolmente l'efficienza del test. Le due forme d'onda di sweep di base possono essere impostate per il funzionamento a evento singolo o continuo, rendendo N2600 ideale per la caratterizzazione I/V, I/R, V/I e V/R.
- Scala lineare: si sposta dal livello iniziale al livello finale in passi lineari uguali
- Scala logaritmica: scala logaritmica con un numero specificato di gradini per decade

Misurazione della resistenza a 2/4/6 fili
L'SMU N2600 integra una funzione multimetro digitale ad alta precisione, che non solo supporta la misurazione di tensione e corrente ad alta precisione, ma supporta anche la misurazione della resistenza a 2/4/6 fili, adatta a vari scenari di test.
La misurazione della resistenza a 2 fili è adatta per scenari di test in cui la resistenza dei puntali di prova è molto inferiore alla resistenza da misurare, indipendentemente dalla perdita di tensione causata dai puntali di prova.

La misurazione della resistenza a 4 fili è adatta per misurare resistenze di basso valore. L'N2600 SMU è dotato di una funzione di correzione automatica che elimina gli effetti dei puntali di prova.

Misurazione della resistenza a 6 fili: quando la resistenza misurata è collegata in parallelo ad altre resistenze, queste ultime si sposteranno in parallelo, influenzando il test. L'SMU N2600 utilizza la misurazione della resistenza a 6 fili per consentire la misurazione in situ dei resistori sul PCB.

Automazione per migliorare l'efficienza dei test di produzione
La SMU N2600 fornisce sorgenti di tensione e corrente ad alta precisione, effettuando misurazioni ad alta precisione, senza dover modificare le connessioni o utilizzare dispositivi aggiuntivi, migliorando notevolmente l'efficienza dei test di produzione. Allo stesso tempo, per soddisfare i requisiti di produttività delle applicazioni di produzione, N2600 dispone di numerose funzioni integrate per eseguire sequenze di test complesse senza dover ricorrere al lento controllo computerizzato o alla comunicazione GPIB.
Grande schermo LCD
L'N2600 SMU è dotato di uno schermo LCD da 4.3 pollici. Rispetto ai tradizionali schermi VFD, gli schermi LCD offrono i vantaggi di un basso consumo energetico, dimensioni ridotte e basse radiazioni. Allo stesso tempo, grazie al design professionale dell'interfaccia, l'N2600 è facile da usare e la visualizzazione delle informazioni è intuitiva e completa.

Controllo remoto per una facile integrazione del sistema
NGI fornisce agli utenti un software applicativo per PC gratuito, in grado di soddisfare le esigenze di test di vari scenari applicativi. L'N2600 SMU è dotato di porta LAN e interfaccia RS232 e supporta i comandi SCPI/Modbus.


Profilo NGI
Base di produzione
Servizio
Certificazione




Alimentatore per server AI
BMS/scheda di protezione della batteria
Elettronica 3C
Elettronica automobilistica
Generazione di energia da energia pulita
Di Energia
Semiconduttore/IC
Assistenza post-vendita
Scheda dati
Video del prodotto
Manuale Utente
Protocollo di comunicazione
Software e driver
Applicazioni
FAQ
Applicazioni
Nuovi arrivi
Fiere
EN
CN
AR
FR
IT
JA
KO
PT
RU
ES
TR



